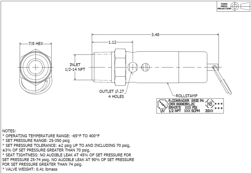
A hard seat safety relief valve is a metal-to-metal seated valve, which usually uses a metal disc or ball as the internal sealing surface against the orifice or internal passageway in a safety relief valve. Hard seat safety relief valves are excellent in corrosive or extremely high temperature applications. This Hard Seat Safety Valve is NOT adjustable. This Safety Valve Is Preset at 200 PSI And Has a Flow Rate (SCFM) Of 395. Conrader safety valves are designed to protect unfired pressure vessels and systems from over pressure in compressed air and gas applications. SRH-series safety valves have a metal-to-metal seal and are designed and certified to ASME Code specifications. Also available with the “CE” mark to meet the requirements of the Pressure Equipment Directive of the European Union. The valves are not deemed “Lead Free”. Set Pressure Tolerance: +2 psig up to and including 70 psig, +3% of set pressure greater than 70 psig. Operating Temperature Range: -65 degrees Fahrenheit to 400 degrees Fahrenheit. Materials of Construction: Seat, Cap, Piston: ASTM B16 Brass Spring: 302 Stainless Steel Sealing Ball: 440 Stainless Steel. Certifications: ASME Boiler & Pressure Vessel Code Section VIII Division 1 CSA B51-03 Boiler, Pressure, Vessel, and Pressure Piping Code. Please view product cut sheets and flow chart on the pictures attached to this listing.
Make sure this fits by entering your model number.
This Brass Safety Valve Is Preset At 200 PSI And Has a Flow Rate (SCFM) Of 395
This Safety Valve Is Made In The USA
This Safety Valve Has An Operating Temperature Range of -65 Degrees Fahrenheit To 400 Degrees Fahrenheit
Please Note 1/2″ NPT Measures 0.840″ Outside thread diameter in inches. See attached NPT Thread chart.
Other Thread Sizes And PSI Options Are Available. Please Reach Out With Questions.















Reviews
There are no reviews yet.